
咨詢熱線0755-26993877
壓電傳感器是一種將施加的應力轉化為電能的換能器。它只是將能量從一種形式轉換為另一種形式。意思是,它將物理壓力轉化為電能。壓電傳感器用于通過將壓力、加速度或應變轉換為電荷來測量它們的變化。

超聲波傳感器的工作原理可以從下面的圖像中來看看這個傳感器是如何使用超聲波來尋找物體的。看一個例子會讓事情更清楚一點。下面是放置在墻前的超聲波傳感器圖。

步進電機是含有分段磁化轉子和由電磁線圈的規定數目的定子的簡單的兩相無刷同步電動機。當通電時,這些線圈會產生南北輪詢,推動或拉動分段磁化轉子以使其旋轉。該圖顯示了典型混合式步進電機的內部結構和齒對齊。

直線步進電機可以在無反饋的情況下在開環中運行,這使它們成為非常經濟高效的直接驅動直線直線電機。雖然某些應用需要絕對定位精度,但其他應用則需要高度的可重復性。可重復性由強制力沿同一方向返回同一點的能力定...

電容式傳感器設備也稱為電容式接近開關。它基于電容耦合原理。它可以檢測和連續測量導電或具有除空氣以外的電介質的物體。一個例子是液位傳感,其中兩個傳感器之間的液體變化表明介電材料的變化,這也會導致電容變化...

常閉電磁閥是控制液體或氣體流量的一種方式。該閥與其他電磁閥的相似之處在于它可以停止或啟動液體流動,但它用于執行此操作的過程有所不同。常閉電磁閥不通電時,柱塞下降,有效密封閥門,阻止液體或氣體流動。一旦...

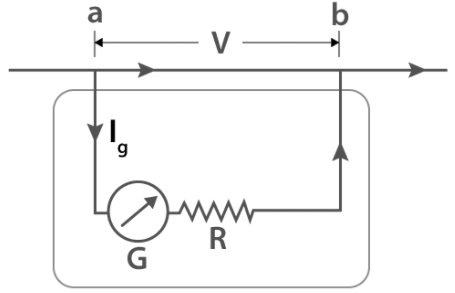
電壓表是測量電壓的重要儀器。它用于測量直流和交流電流。電壓表是一種電流控制設備,這意味著它需要電流才能起作用。電壓表與電路并聯。電壓表具有高電阻,因此它消耗更少的電流來運行。這就是為什么電壓表的電流消...

電壓表是一種測量電子或電路兩點間電壓或電位差的儀器。通常,電壓表用于交流(AC)電路或直流(DC)電路。或者,也可以通過專用電壓表測量射頻(RF)電壓。

無極性電容器的選擇和使用非常方便。可以直接選擇同型號同規格的電容。如果以上條件都不滿足,可以參考以下方法:1、選擇一個合理的電容精度。在大多數情況下,容量要求不是很高,與參考容量大致相同的容量是可以接...

無電極電容器可以雙向連接。除了一種罕見的,焊接時不會加熱(聚苯乙烯)。它具有至少50V的高額定電壓,通常為250V或更高。因為它使用各種標記方案,所以可能很難識別這些值。無極性電容器沒有正極或負極,這...
