描述:我有一個我正在設計的基本比較器電路。我希望其中一個參考電壓是可調的,所以使用微調電位器。我的Vcc是12V,所以假設一個1/4瓦的鍋,1k似乎是我應該去的最低點。(12*12/1000=0.144瓦耗散)我現在選擇了10k,但我不知道為什么我選擇了這個值。這是一個共同的價值,似乎很好。選擇這樣的值時,最佳做法是什么?最低噪音的最低可能值是什么?
回答:通常,您希望調整以適應最壞情況的可變性,而不是太多。換句話說,如果您將參考設置的所有最壞情況容差相加,并且它可能與標稱3V設置相差+/-100mV,則您可能允許從2.85調整到3.15V。由于電位器元件電阻通常具有糟糕的容差,您更愿意將其連接到剛性電壓或將元件與精密電阻器并聯。
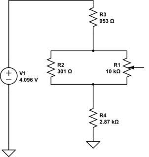
在我的假設情況下,假設我有一個4.096V精密基準,我可能使用一個10K電位器并將其與301歐姆并聯,因此分壓器電流標稱值為1mA。然后分隔線看起來像這樣:

隨著抽頭移動,R1抽頭的源電阻變化+/-1250歐姆。這在很多情況下都不是問題,但您應該意識到這一點。
通用規則-
1.一個微調器還可以數字化
2.盡可能避免將電位計用作變阻器,盡量減少通過雨刷器的電流。如果您必須使用電位器作為可變電阻器,請將元件未使用的一端連接到雨刷。由于接觸電阻的變化,避免使用<100 ohm的金屬陶瓷罐作為變阻器。
3.使用中電阻罐是可能的,特別是如果你需要一個繞線罐。通常2K到50K是最佳的。
4.如果您的調整是交互式的,請設計您的電路,以便至少有一個電位器在名義上是獨立的。值得格外小心,甚至需要一些額外的部件來最小化迭代。
5.使鍋的旋轉有意義,通常順時針應該增加技術人員正在觀察的內容。

