電信整流器和服務器電源單元(PSU)中的功率因數校正(PFC)電路和逆變器電路都需要檢測高壓側的電流信號到低壓側的控制器,因此隔離電流傳感器用來。隔離電流檢測有多種實現方式,例如電流互感器(CT)、隔離放大器和霍爾效應電流傳感器。其中,霍爾效應電流傳感器是一個理想的選擇,因為它簡單、使用方便、準確、體積小、具有直流檢測能力。
電流互感器是根據互感器的原理對電流進行采樣的。使用CT可以檢測MOSFET或IGBT的開通電流。CT響應速度快,非常適合峰值電流控制和過流保護控制。然而,基于變壓器耦合原理的CT無法感應直流或極低頻電流,導致無法直接檢測工頻交流電流,或因只檢測導通電流的間接方法而損失測量精度。無關斷電流)。另外,由于CT需要使用鐵氧體磁芯,體積很難做小,而且較大的CT會增加功率開關回路,導致電壓尖峰和噪聲干擾較高。
霍爾效應電流傳感器是一種更準確、更小的選擇。它可以在直流條件下工作,可以測量包括開啟和關閉在內的總交流電流,具有良好的線性度和精度。同時,霍爾效應電流傳感器的體積可采用SOIC-8封裝,與集成IC尺寸相同,使PCB布局更容易,有助于實現更高的功率密度。
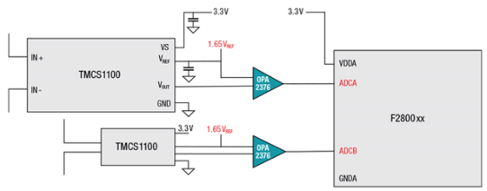
將霍爾效應電流傳感器應用于電信電源或服務器PSU時,需要評估電流檢測范圍、連續電流容差、響應速度(/帶寬)和電壓隔離級別。在某些情況下,電信電源或服務器電源可能還需要向主機上報當前的工作功率。此時,高精度霍爾電流傳感器(如TI的TMCS1100)可以幫助系統實現≥1%的電流檢測精度。

分別使用3.3 V和5 V電源時的霍爾效應電流傳感器的典型應用電路。與使用3.3 V電源相比,使用5 V電源可以擴大霍爾傳感器的電流檢測范圍。以TMCS1100A1為例,霍爾傳感器的靈敏度為50 mV/A:如果使用3.3V電源,電流檢測范圍為-33 A至+33 A(雙向);使用5.0V電源時,電流檢測范圍可擴展至-50A~+50A。另外,在設計中需要注意,除了電流檢測范圍外,還需要考慮傳感器的持續電流承受能力。當電流承受能力不足的,可以通過提高傳感器的散熱來優化。
在使用霍爾效應電流傳感器的電路板布局中,要注意以下因素:
散熱:增加銅面積盡可能多的初級電流導體,以提高霍爾電流傳感器的散熱能力,從而提高傳感器的最大平均電流容差。另外,可以使用較厚的銅箔PCB,或者在初級走線上放置一些散熱過孔,或者將霍爾電流傳感器和PCB走線放置在風道中,這樣可以提高霍爾電流傳感器的平均電流電阻。視能力而定。
初級電流磁場:布局時應盡量避免大電流走線靠近霍爾電流傳感器。隔離要求:考慮整個系統的爬電距離和電氣間隙。當霍爾電流傳感器不能滿足要求的PCB爬電距離時,可以在電路板上挖槽,達到系統級隔離要求。在電信整流器和服務器PSU中,CT更適用于峰值電流控制和過流保護,但體積較大且精度較低。霍爾效應電流傳感器體積小,精度高,使用簡單方便,更適合檢測交流線路電流。

