
咨詢熱線0755-26993877
光子集成電路(PIC)是一種IC,它使用光作為芯片不同部分之間的主要通信方式。PIC將光子學和電子學相結合,以實現全新類型的系統,例如光通信、成像、傳感和高速計算。PIC與其他IC類似,因為它們具有不...

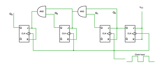
異步計數器也稱為串行計數器,因為構成計數器的觸發器是串聯連接的,輸入時鐘脈沖提供給連接中的第一個觸發器。第一個觸發器的輸出充當正向下一個相鄰觸發器的輸入。以這種方式,時鐘輸入通過計數器波動。因此,這些...

同步伺服電機和異步伺服電機傳輸都是串行數據傳輸技術的類型,其中數據基于用于同步伺服電機的時鐘脈沖在發送方和接收方之間傳輸。閱讀本文以了解有關同步伺服電機和異步伺服電機傳輸的更多信息以及它們之間的區別。

數字電位器中使用的IC表示為一種集成電路,專門用于從其他數字設備讀取數據或向其他數字設備發送數據。在電位器電路中起著分壓器的作用。

研究數字電位器的工作原理。因為它在電路中只有一個功能,就是根據給定的條件控制電流或電壓,所以結構非常簡單。電子電位器模塊包括一系列電阻、存儲單元和控制及接口單元。 數字電位器的工作原理: 1.串聯電阻...

數字電位器并不是普遍創造或制造的。數字電位器的設計通常取決于所安裝的電位器類型。以下是您應該了解的數字電位器IC的主要類型:

無刷直流電機的主要優勢在于其結構特點。電子換向提供改進的電流切換。它會增加扭矩,在很寬的范圍內進行有效的速度控制,從而提高電機的性能。

定義:(1)以同步速度運行的交流電機稱為同步電機。(2)以低于同步速度的速度運行的交流電機類型稱為異步伺服電機。工作原理:(1)同步電機的工作原理是基于定子和轉子磁場之間的磁互鎖原理。(2)異步伺服電...

速度傳感器也稱為車速傳感器(VSS)、輪速傳感器或變速箱速度傳感器,這是構成車輛變速箱系統一部分的關鍵電子元件。它的主要功能是通過測量車輪、鏈輪和車軸的轉動來確定車輛的巡航速度。然后它將此信息中繼到車...

電位器可以用來控制電機的速度,讓來看看一些電路配置。使用電位器控制速度有兩種典型方法;單獨使用電位器,以及將電位器與Arduino一起使用。
